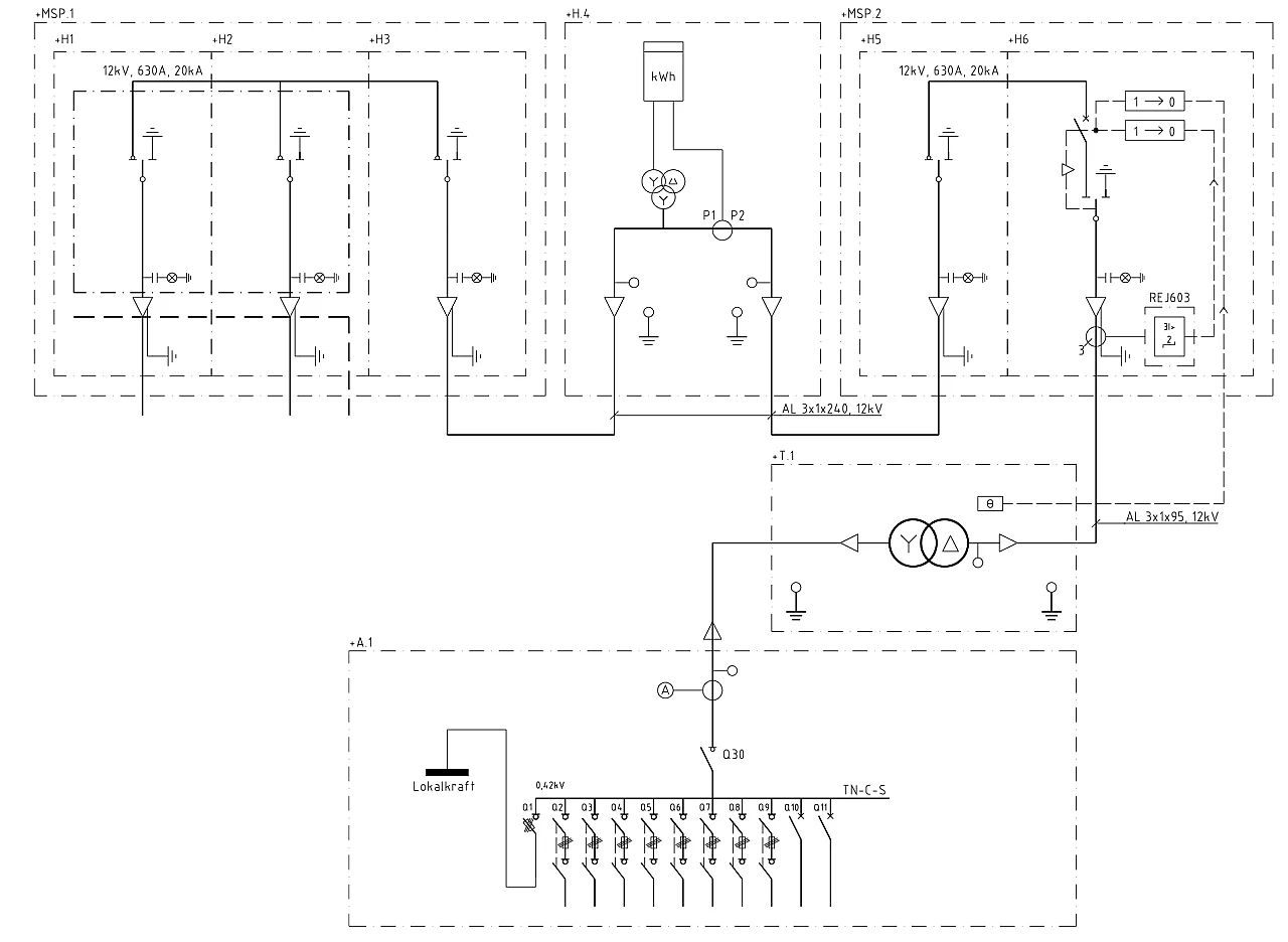
Konceptlösning för laddsite med transformator upp till 2 000 kVA. Lösningen är konstruerad med största fokus på drift och personsäkerhet samt möter kraven enligt IBH 24 samt anslutning av kundanläggningar 1–36 kV till elnätet.

Vi har en bred portfölj av modulära och skalbara lösningar för nätstationer. Med plåt och betong som konstruktionsmaterial bygger vi säkra och robusta nätstationer.

Skräddarsydda lösningar helt efter kundkrav.

Minimerar installationstiden på site.

Konstruerad och provad med fokus på säkerhet för montör och omgivning.

Digitala lösningar för mätning, kommunikation och automation.

Uppfyller gällande standard IEC 62271-202.

Möter kraven enligt IBH 24. Anslutning av kundanläggningar 1–36 kV till elnätet.
Nätstation med 3xRMU ställverk och enkel transformator




Prenumerera på vårt nyhetsbrev Kraftfullt. Här kan du läsa om aktuella produkter, intressanta kunduppdrag och vad som är på gång framåt.
Genom att prenumerera samtycker du till att vi hanterar de personuppgifter du lämnar i samband med anmälan. Läs mer om hur vi behandlar personuppgifter här.